Фільтри для повітродувок
|
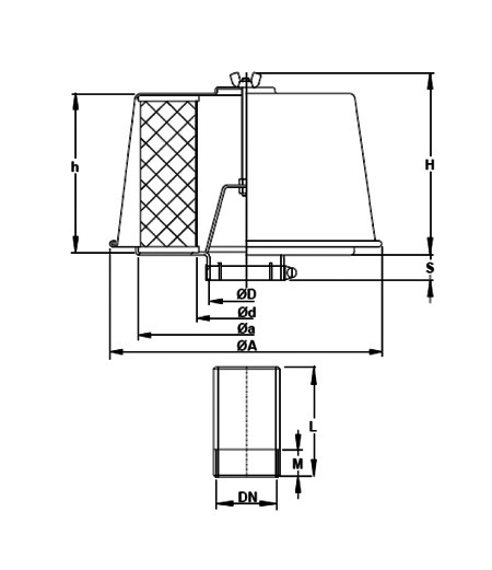
Фільтри |
Тип | прохо- дження м3/год. |
DN | A | D | H | S | L | M | Фільтру- вальні вставки |
Тип | Фільтри | Розміри (мм) |
|||
| a | d | h | ||||||||||||||
| FA.4020 | 85 | 3/4” | 150 | 27 | 105 | 23 | 130 | 15 | K.2454 | FA.4020 | 108 | 55 | 83 | |||
| FA.4030 | 85 | 1” | 150 | 33 | 105 | 23 | 130 | 15 |
K.2454 |
FA.4030 | 108 | 55 | 83 | |||
| FA.4040 | 85 | 1 ¼“ | 150 | 42 | 105 | 23 | 200 | 15 | K.2454 | FA.4040 | 108 | 55 | 83 | |||
| FA.4050 | 250 | 1 ½“ | 180 | 48 | 155 | 23 | 200 | 15 | K.2455 | FA.4050 | 147 | 80 | 135 | |||
| FA.4060 | 400 | 2” | 230 | 60 | 155 | 23 | 200 | 15 | K.2456 | FA.4060 | 176 | 80 | 135 | |||
| FA.4070 | 700 | 3” | 280 | 89 | 180 | 35 | 200 | 15 | K.2457 | FA.4070 | 225 | 100 | 150 | |||
| FA.4080 | 1400 | 4” | 410 | 114 | 330 | 35 | 200 | 15 | K.2458 | FA.4080 | 300 | 215 | 300 | |||
| FA.4090 | 2800 | 5” | 410 | - | 330 | - | - | - | K.2458 | FA.4090 | 300 | 215 | 300 | |||
Завжди вибирайте повітряний фільтр з більшим проходженням, ніж всмоктувальна потужність компресора.
Приєднувальні розміри фільтру і компресору можуть відрізнятися.
![]() |
![]() |





